Today is:
XY-673
Counter:1228  2012-04-27 9:47:52
 

FEATURES:
           Aluminum-alloy, Colorless anodized,
           Glue-sealing.

APPLICATIONS:
          Electronic counting scales / Platform scales etc.
          Recommended platform size: 600×600mm

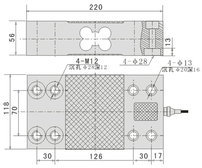
Dimensions

Wiring Schematic Diagram

Parameters

 Rated Load(kg) 1000,1500
 Precision  C2 C3 Insulation Resistance(MΩ)   ≥5000(100VDC)
 Comprehensive Error(%F.S)   0.03 0.02 Excitation Voltage(V)   9~12(DC) 
 Rated output(mv/v)    2±0.1 Compensated temp.Range(℃ )   -10~+40
 Non-linearity(%F.S)    0.03 0.017 Use Temp. Range(℃ ) -35~+65
 Hysteresis(%F.S)   0.03 0.02 Temp.Effect on Zero(%F.S/10℃)   0.03 0.017
 Repeatability(%F.S)  0.01 Temp.Effect on Span(%F.S/10℃)   0.02 0.014
 Creep(%F.S/30min)   0.02 Safe Overload (%F.S)   120
 Zero Balance(%F.S)     ±2 Ultimate Overload(%F.S)    150
 Input Resistance(Ω)   405±6 Defend Grade IP65
 Output Resistance(Ω )  350±5 Cable (屏蔽电缆线) φ3, 3m
 
CopyRight © 2008-2026 Wuxi Grasse Electric co.,Ltd.. All Rights Reserved