Today is:
XY-201
Counter:1029  2012-04-24 15:42:57
 
FEATURES:
          Alloy steel , Simple and reliable,
          Easy to install and use.

APPLICATIONS:
          Truck scales/Railroad Track scales/
          Hopper scales etc.
 
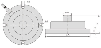
Dimensions
 

量程(t)

D

D1

H

H1

R

H2

1

115

20

36

8

4.2

8.4

2

120

20

38

8

4.2

8.4

3-5

128

20

46

8

5.2

10.4

10

158

40

63

15

5.2

10.4

15

194

42

68

20

6.2

10.4

20

220

44

73

22

6.2

12.4

30

230

48

78

25

6.2

12.4

50

264

52

90

30

6.2

12.4

Wiring Schematic Diagram

Parameters

  Rated Load(t)/(klb) 5-100/10-200
  精度等级  C1 C2 Insulation Resistance(MΩ)   ≥5000(100VDC)
 综合误差(%F.S) 0.05 0.03 Excitation Voltage(V)  9~12(DC) 
 灵敏度(mv/v)   2.0±0.01 Compensated temp.Range(℃ )  -10~+40
 非线性(%F.S)   0.05 0.03 Use Temp. Range(℃ ) -35~+65
 滞后(%F.S)     0.05 0.03 Temp.Effect on Zero(%F.S/10℃)   0.03
 重复性(%F.S) 0.01 Temp.Effect on Span(%F.S/10℃)   0.02
 蠕变(%F.S/30min)  0.02 Safe Overload (%F.S)   150
 零点输出(%F.S)   ±1.0 Ultimate 0verload(%F.S)   200
 输入阻抗(Ω)   700±10 Defend Grade IP65
 输出阻抗(Ω)  700±3 Cable(四芯屏蔽电缆线) 3-5m
 
CopyRight © 2008-2026 Wuxi Grasse Electric co.,Ltd.. All Rights Reserved