Product Series |
|
|
|
|
|
|
|
|
|
|
|
 |
|
Counter:1003 2012-04-24 16:03:05 |
|
| |
|
FEATURES:
Alloy steel, Welding.
APPLICATIONS: Electronic platform scales/Truck scales etc.
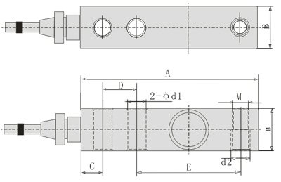
Dimensions:
|
量程(t) |
A |
B |
C |
D |
E |
M |
d1 |
d2 |
|
0.5-2 |
130 |
31.8 |
15.8 |
25.4 |
76.2 |
M12×1.75 |
13.5 |
13.5 |
|
2.5-5 |
171.5 |
38.1 |
19.1 |
38.1 |
95.3 |
M18×1.5 |
19.8 |
19.8 |
Wiring Schematic Diagram:

Parameters:
| Rated Load(t) |
0.5,1,1.5,2,2.5,3,5 |
| Precision |
C2 |
C3 |
Insulation Resistance(MΩ) |
≥5000(100VDC) |
| Comprehensive Error(%F.S) |
0.03 |
0.02 |
Excitation Voltage(V) |
9~12(DC) |
| Rated output(mv/v) |
3.0±0.003 |
Compensated temp.Range(℃ ) |
-10~+40 |
| Non-linearity(%F.S) |
0.03 |
0.02 |
Use Temp. Range(℃ ) |
-20~+55 |
| Hysteresis(%F.S) |
0.03 |
0.02 |
Temp.Effect on Zero(%F.S/10℃) |
0.02 |
| Repeatability(%F.S) |
0.02 |
0.01 |
Temp.Effect on Span(%F.S/10℃) |
0.02 |
| Creep(%F.S/30min) |
0.03 |
0.02 |
Safe Overload (%F.S) |
150 |
| Zero Balance(%F.S) |
±1 |
Ultimate Overload(%F.S) |
200 |
| Input Resistance(Ω) |
350±3 |
Defend Grade |
IP67/IP68 |
| Output Resistance(Ω ) |
350±10 |
Cable(四芯屏蔽电缆线) |
RVVP4*12/0.15*3m | | |
| |
|
|