Today is:
XI-111
Counter:1183  2012-04-24 15:36:25
 
FEATURES:
        Alloy  steel ,Simple structure

APPLICATIONS:
    Automobile examination line/ 
        Railroad track scales etc.
   
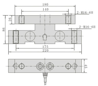
Dimensions:
FEATURES:
        Alloy  steel ,Simple structure
APPLICATIONS:
    Automobile examination line/ 
        Railroad track scales etc.
   
Dimensions:

 

 

Parameters:

 Rated Load(t)  2, 3, 4, 5
 Precision C1Insulation Resistance(MΩ)   ≥5000(100VDC)
 Comprehensive Error(%F.S)  0.05Excitation Voltage(V)   9~12(DC) 
 Rated output(mv/v)  2.0±0.02Compensated temp.Range(℃ )  -10~+40
 Non-linearity(%F.S)    0.05Use Temp. Range(℃ ) -20~+65
 Hysteresis(%F.S)     0.05Temp.Effect on Zero(%F.S/10℃)   0.05
 Repeatability(%F.S)  0.02Temp.Effect on Span(%F.S/10℃)   0.03
 Creep(%F.S/30min)  0.02Safe Overload (%F.S)   150
 Zero Balance(%F.S)     ±1Ultimate Overload(%F.S)   200
 Input Resistance(Ω)  700±10Defend Grade IP67/IP68
 Output Resistance(Ω ) 700±10Cable (四芯屏蔽电缆线) RWP4*12/0.15*3m
 
CopyRight © 2008-2026 Wuxi Grasse Electric co.,Ltd.. All Rights Reserved