Contact Us
|
CHINESE
Today is:
Homepage
About Us
Products
Examples
Contact Us
Product Series
Load cells
Miniature load cell
Pressure sensor
Tension sensor
Axis eliminate sensor
Weighing system
Weighing assembly
Portable axle load units
Resistance strain device
Pressure, temperature and power
series Digital Crane Scales
XY-306
Counter:1020 2012-04-24 15:53:23
FEATURES:
Alloy steel ,Simple structure
APPLICATIONS:
Hanging scales / Hopper scales/Hopper
scales/Tension or compression application etc.
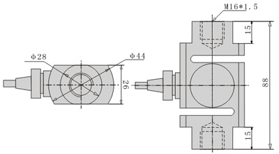
Dimensions:
Wiring Schematic Diagram
:
Parameters
:
Rated Load(kg)
500, 750, 1000
Precision
C2
Insulation Resistance(MΩ)
≥5000(100VDC)
Comprehensive Error(%F.S)
0.03
Excitation Voltage(V)
9~12(DC)
Rated output(mv/v)
2.0±0.02
Compensated temp.Range(℃ )
-10~+40
Non-linearity(%F.S)
0.03
Use Temp.Range(℃ )
-35~+65
Hysteresis(%F.S)
0.03
Temp.Effect on Zero(%F.S/10℃)
0.03
Repeatability(%F.S)
0.01
Temp.Effect on Span(%F.S/10℃)
0.03
Creep(%F.S/30min)
0.02
Safe Overload (%F.S)
120
Zero Balance(%F.S)
±1.0
Ultimate Overload(%F.S)
150
Input Resistance(Ω)
350±3
Defend Grade
IP67/TP68
Output Resistance(Ω )
350±3
Cable
(四芯屏蔽电缆线)
3m
『
Close the windows
』
CopyRight © 2008-2026 Wuxi Grasse Electric co.,Ltd.. All Rights Reserved