Contact Us
|
CHINESE
Today is:
Homepage
About Us
Products
Examples
Contact Us
Product Series
Load cells
Miniature load cell
Pressure sensor
Tension sensor
Axis eliminate sensor
Weighing system
Weighing assembly
Portable axle load units
Resistance strain device
Pressure, temperature and power
series Digital Crane Scales
XY-607J
Counter:1126 2012-04-27 9:52:36
FEATURES:
Aluminum-alloy, Colorless anodized
Glue-sealing.
APPLICATIONS:
Electronin counting scales / Platform scales etc.
Recommended platform size:400×400mm
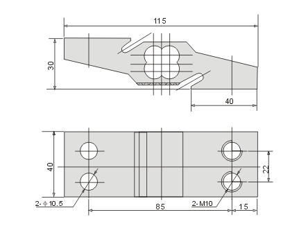
Dimensions:
Wiring Schematic Diagram
:
Parameters
:
Rated Load(kg)
80~300
Precision
C2
C3
Insulation Resistance(MΩ)
≥5000(100VDC)
Comprehensive Error(%F.S)
0.03
0.02
Excitation Voltage(V)
9~12(VDC)
Rated output(mv/v)
2±0.1
Compensated temp.Range(℃ )
-10~+40
Non-linearity(%F.S)
0.03
0.017
Use Temp. Range(℃ )
-35~+65
Hysteresis(%F.S)
0.03
0.02
Temp.Effect on Zero(%F.S/10℃)
0.03
0.017
Repeatability(%F.S)
0.01
Teep.Effect on Span(%F.S/10℃)
0.02
0.014
Creep(%F.S/30min)
0.02
Safe Overload (%F.S)
120
Zero Balance(%F.S)
±2
Ultimate Overload(%F.S)
150
Input Resistance(Ω)
405±6
Defend Grade
IP65
Output Resistance(Ω )
350±5
Cable
(屏蔽电缆线)
φ3, 3.5m
『
Close the windows
』
CopyRight © 2008-2026 Wuxi Grasse Electric co.,Ltd.. All Rights Reserved