产品类别 |
|
|
|
|
|
|
|
|
|
|
|
 |
|
已阅:1016 2012-04-24 16:01:52 |
|
| |
|
特点:
应用范围:
|
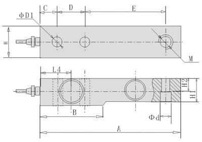
量程(t) |
A |
B |
C |
D |
E |
M |
d |
d1 |
H2 |
H1 |
H |
|
0.5-1 |
130 |
53.7 |
15.8 |
25.4 |
76.2 |
M12×1.75 |
13.5 |
13.5 |
15.8 |
26 |
31.8 |
|
1.5-2 |
130 |
53.7 |
15.8 |
25.4 |
76.2 |
M12×1.75 |
13.5 |
13.5 |
15.8 |
28 |
31.8 |
|
2.5-5 |
171 |
77.2 |
19 |
38.1 |
95.3 |
M20×2.5 |
20.5 |
20.5 |
15.8 |
32 |
38.1 |
接线方法:

技术参数表:
| 额定载荷 |
0.5,1,1.5,2,2.5,3,5 |
| 精度等级 |
C2 |
C3 |
绝缘电阻(MΩ) |
≥5000(100VDC) |
| 综合误差(%F.S) |
0.03 |
0.02 |
激励电压(V) |
9~12(DC) |
| 灵敏度(mv/v) |
3.0±0.003 |
温度补偿范围(℃ ) |
-10~+40 |
| 非线性(%F.S) |
0.03 |
0.02 |
使用温度范围(℃ ) |
-20~+55 |
| 滞后(%F.S) |
0.03 |
0.02 |
零点温度影响(%F.S/10℃) |
0.02 |
| 重复性(%F.S) |
0.02 |
0.01 |
灵敏度温度影响(%F.S/10℃) |
0.02 |
| 蠕变(%F.S/30min) |
0.03 |
0.02 |
安全过载范围(%F.S) |
150 |
| 零点输出(%F.S) |
±1 |
极限过载范围(%F.S) |
200 |
| 输入阻抗(Ω) |
350±3 |
防护等级 |
IP67/IP68 |
| 输出阻抗(Ω) |
350±10 |
电缆线(四芯屏蔽电缆线) |
RVVP4*12/0.15*3m | | |
| |
|
|