产品类别 |
|
|
|
|
|
|
|
|
|
|
|
 |
|
已阅:1038 2012-04-24 15:56:46 |
|
| |
特点:
应用范围:

接线方法:

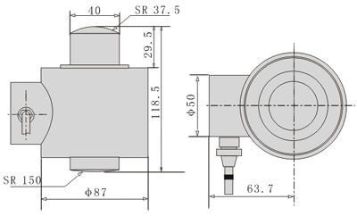
技术参数表:
| 额定载荷 |
10,20,25,30,40,50 |
| 精度等级 |
C3 |
绝缘电阻(MΩ) |
≥5000(100VDC) |
| 综合误差(%F.S) |
0.03 |
激励电压(V) |
9~12(DC) |
| 灵敏度(mv/v) |
1.5±0.004 |
温度补偿范围(℃ ) |
-10~+40 |
| 非线性(%F.S) |
0.017 |
使用温度范围(℃ ) |
-35~+65 |
| 滞后(%F.S) |
0.02 |
零点温度影响(%F.S/10℃) |
0.017 |
| 重复性(%F.S) |
0.01 |
灵敏度温度影响(%F.S/10℃) |
0.014 |
| 蠕变(%F.S/30min) |
0.02 |
安全过载范围(%F.S) |
150 |
| 零点输出(%F.S) |
±1 |
极限过载范围(%F.S) |
200 |
| 输入阻抗(Ω) |
700±7 |
防护等级 |
IP68 |
| 输出阻抗(Ω) |
700±7 |
电缆线(四芯屏蔽电缆线) |
10m | |
| |
|
|