产品类别 |
|
|
|
|
|
|
|
|
|
|
|
 |
|
已阅:1136 2012-04-24 15:56:07 |
|
| |
|
特点:
采用合金刚或不锈钢材质,全密封激 焊接,防雷击,可自动恢复。
应用范围:
|
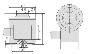
量程(klb)/尺寸(mm) |
A |
B |
C |
D |
E |
F |
G |
H |
M |
SR |
|
25.5 |
10.25 |
73 |
82.5 |
12 |
58 |
6.5 |
1.8 |
64 |
31.8 |
M12×1.75 |
152 |
|
100 |
40.6 |
105 |
127 |
34 |
82.5 |
8.0 |
11.0 |
87 |
58.7 |
M20×2.5 |
152 |
|
200 |
100 |
152.4 |
184.2 |
3 |
123.8 |
23.6 |
21.8 |
108.2 |
79.2 |
M20×2.5 |
432 |
接线方法:

技术参数表:
| 额定载荷 |
10,25,40,60,100 |
| 精度等级 |
C3 |
绝缘电阻(MΩ) |
≥5000(VDC) |
| 综合误差(%F.S) |
0.02 |
激励电压(V) |
9~12(DC) |
| 灵敏度(mv/v) |
2.0±0.002 |
温度补偿范围(℃ ) |
-10~+40 |
| 非线性(%F.S) |
0.017 |
使用温度范围(℃ ) |
-40~+80 |
| 滞后(%F.S) |
0.02 |
零点温度影响(%F.S/10℃) |
0.017 |
| 重复性(%F.S) |
0.01 |
灵敏度温度影响(%F.S/10℃) |
0.014 |
| 蠕变(%F.S/30min) |
0.02 |
安全过载范围(%F.S) |
150 |
| 零点输出(%F.S) |
±1 |
极限过载范围(%F.S) |
200 |
| 输入阻抗(Ω) |
450±5 |
防护等级 |
IP68 |
| 输出阻抗(Ω) |
480±5 |
电缆线(四芯屏蔽电缆线) |
10m | | |
| |
|
|