产品类别 |
|
|
|
|
|
|
|
|
|
|
|
 |
|
已阅:1125 2012-04-27 9:52:36 |
|
| |
| 商品类别: |
称重测力传感器->平行梁->计价计重秤类 |
| 产品型号: |
XY-607J | 特点:
应用范围:
适用于电子计价秤,计重秤等小台面电子秤。 推荐台面尺寸:400×400mm
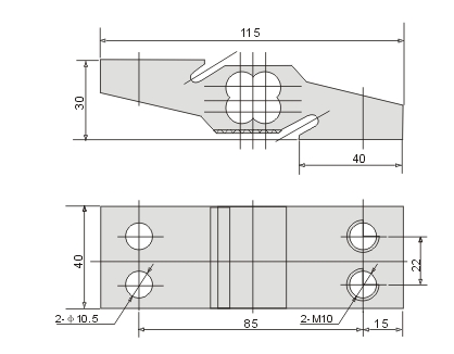
外型尺寸规格图:
接线方法:

技术参数表:
| 额定载荷 |
80~300 |
| 精度等级 |
C2 |
C3 |
绝缘电阻(MΩ) |
≥5000(100VDC) |
| 综合误差(%F.S) |
0.03 |
0.02 |
激励电压(V) |
9~12(VDC) |
| 灵敏度(mv/v) |
2±0.1 |
温度补偿范围(℃ ) |
-10~+40 |
| 非线性(%F.S) |
0.03 |
0.017 |
使用温度范围(℃ ) |
-35~+65 |
| 滞后(%F.S) |
0.03 |
0.02 |
零点温度影响(%F.S/10℃) |
0.03 |
0.017 |
| 重复性(%F.S) |
0.01 |
灵敏度温度影响(%F.S/10℃) |
0.02 |
0.014 |
| 蠕变(%F.S/30min) |
0.02 |
安全过载范围(%F.S) |
120 |
| 零点输出(%F.S) |
±2 |
极限过载范围(%F.S) |
150 |
| 输入阻抗(Ω) |
405±6 |
防护等级 |
IP65 |
| 输出阻抗(Ω) |
350±5 |
电缆线(屏蔽电缆线φ3, 3.5m) |
φ3, 3.5m | |
| |
|
|